WH08Z200-00400-00950-AN0000-53
Can't find what you're looking for? Go to the Product Selector
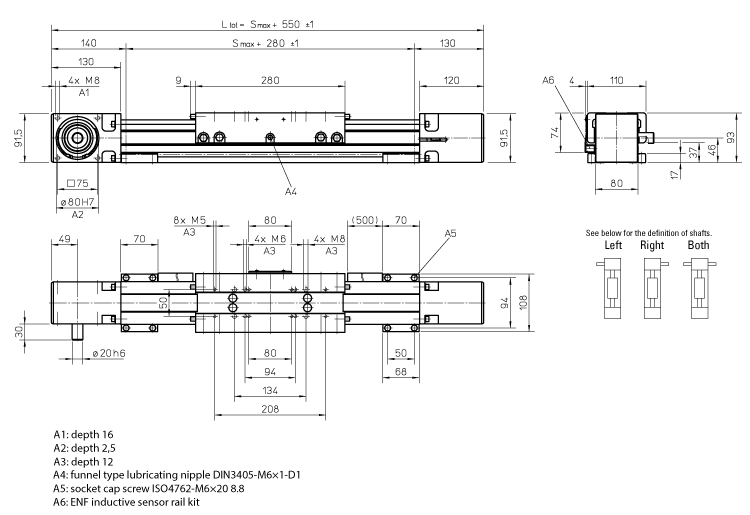
直線運動單元, WH80, 皮帶 Drive, 滾輪 Guide, 0.05 毫米 Repeatability, 400 毫米 Stroke, 950 毫米 Overall Length, 單個標準滑塊, 200 毫米 Travel Per Shaft Rev, Shaft On Left Side Without Keyway, 10000 Maximum Linear Speed
- 取代
- 速度最高10 m/s
- Belt Driven
- 帶驅動
