WHZ08Z200-01100-01510-MN0000-7
Can't find what you're looking for? Go to the Product Selector
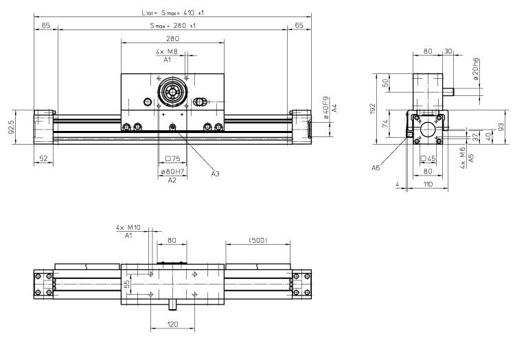
直線運動單元, WHZ80, Belt, Moving Profile Drive, 滾輪 Guide, 0.05 毫米 Repeatability, 1100 毫米 Stroke, 1510 毫米 Overall Length, 單個標準滑塊, 200 毫米 Travel Per Shaft Rev, Shaft On Both Sides With Keyway, 1480 N, 10000 Maximum Linear Speed
- 取代
- 帶驅動
- 外部導向輪
- 速度最高10 m/s
